On Off Kontrol Ünitesi

Elektrikli havlu radyatörleri için klasik açma/kapama termostatik kontrol ünitesi — basit tasarım, güvenilir çalışma ve pratik kullanım.

Açma/Kapama Termostatik Kontrol Klasik Tasarım Gelişmiş Güvenlik
On Off - Beyaz
On Off - Siyah
On Off - Krom

On Off

ON OFF TERMOSTATİK KONTROL ÜNİTESİ

On Off, elektrikli havlu radyatörleri için pratik ve güvenilir açma/kapama kontrol ünitesidir.

On Off, elektrikli havlu radyatörleri için özel olarak tasarlanmış, pratik ve kullanıcı dostu bir kontrol ünitesidir. Basit açma/kapama işlevi ile radyatörü kontrol etmenin etkili yolunu sunar.

Kompakt ve ergonomik tasarımı sayesinde ünitenin sağ veya sol tarafına kolayca monte edilebilir ve banyo estetiğinizle uyum sağlar.

Tek tuşla açma/kapama, karmaşık ayarlardan kaçınan kullanıcılar için ideal bir çözüm sunar.

Sadeliği korurken dayanıklı malzeme ve güvenlik özellikleri ile uzun ömürlü ve güvenilir çalışma sağlar.

Güvenlik özellikleri, günlük kullanımda içiniz rahat olacak şekilde tasarlanmıştır.

Yükseklik 75 mm
Genişlik 65 mm
Derinlik 30 mm
Renk Seçenekleri Beyaz · Siyah · Krom · Altın · Antrasit
Güç Kaynağı 230 V
Maksimum Yük 1000 W
Koruma Sınıfı IP44 – IP68 (modele göre)
Standartlar ISO 9001:2015, EMC, LVD, RoHS

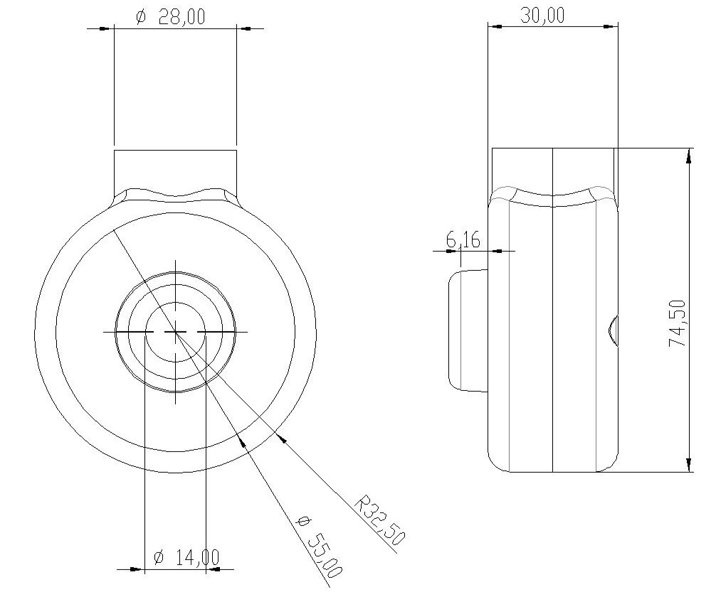
On Off Teknik Çizimi

On Off Teknik Resmi

On Off 3D Görsellik

On Off'ın detaylarını ve tasarımını daha iyi incelemek için 3D modeli kullanabilirsiniz.